公告編號:LXZC2023021001
福建龍溪軸承(集團)股份有限公司屬漳州市屬重點國有控股上市企業。現因生產需要,擬采購M1040無心磨床壹臺,根據我司管理制度要求,擬采取內部邀請招標方式確定供應商。現歡迎潛在合格的供應商前來報名,參與該項目投標。
一、投標報名人的資格要求:
1.依法注冊,具有獨立法人的實體注冊企業,具備履行合同所必需設備和專業技術能力的制造商、經銷商、代理商;
2. 近三年與本項目相同或相類似的設備銷售業績。
二、報名須知
1.報名時間:2023年02月21日至 2023年02月24日。(上午:8:30~11:30、下午:14:00~17:00,法定節假日、雙休日除外)
2. 報名方式:郵箱報名,參與投標的申請人須將公司的營業執照復件及近三年與本項目相同或相類似的設備銷售業績(列表用戶名稱、銷售貨物名稱規格、數量、交貨日期、運行狀況,合同截圖作為證據)加蓋公章(如果是代理商還要提供制造廠家提供的代理授權書或代理授權證明)發至采購人指定郵箱,并寫明“M1040無心磨床”采購與安裝項目報名資料、公司名稱、屬地、項目聯系人姓名、手機號碼”。
3. 咨詢電話:0596-2072080、0596-2025362(技術)每天上午 8:30至11:30 ,下午 14:00至 17:00(北京時間,法定節假日、雙休日除外 )。
三、獲取招標文件時間: 2023年02月27日。
四、獲取招標文件方式:采購人將以電子郵件的形式發給各投標人。
五、采購技術要求:詳見附件
六、采購單位:福建龍溪軸承(集團)股份有限公司
聯 系 人:黃先生
郵箱:huangwx@ls.com.cn
地址:福建省漳州市龍文區小港北路32號 郵編:363005
福建龍溪軸承(集團)股份有限公司
2023年 02月 21日
附件:
M1040無心磨床技術要求
一、項目簡介
項目名稱:M1040無心磨床采購與安裝,數量1臺。
預算金額:130000.00元(人民幣)
交貨期:1個月
二、主要技術參數
1.加工范圍
(1)磨削工件直徑
通磨(標準托架) 2~40mm
(2)最大磨削長度
通磨(標準托架) 140mm
2.設備主要功能、配置要求及技術指標
M1040型無心磨床
本機床適用于圓柱體零件、環形零件的無心通磨磨削,適合于大批量生產。
一、機床結構特點及性能
1、機床布局采用導輪架單面移動方式;
2、砂輪軸采用懸伸結構,更換砂輪方便;
3、砂輪軸采用多片式動壓軸承;
4、導輪軸采用懸伸結構,更換導輪方便;
5、導輪軸采用內錐體式滑動軸承;
6、導輪調速采用交流變頻無級調速;
7、用戶可通過特殊訂貨方式選配切入機構、長工件通磨托架、冷卻系統的磁性分離器等部件增強性能。
二、技術規格與參數
砂輪規格 PSA350×125×127mm
導輪規格 PSA250×125×75mm
砂輪轉速 1870r/min
導輪轉速 (無級)
工作轉速 20~180r/min
修整轉速 ≧250r/min
導輪回轉角
垂直面內 -2°~ +4°
水平面內 0°~ +3°
手輪刻度每格進給量 0.002mm
砂輪與導輪中心連線至托架底面距離 190mm
機床總功率 9.03kW
機床外形尺寸 1550mm×1300mm×1400mm
機床凈重 2000kg
三、工作精度
(標準試件Φ20×75mm,45#鋼)
圓度: 0.002mm
直徑一致性: 0.002mm(通磨)
粗糙度: Ra0.32μm
3.設備平面布局圖(含設備高度)
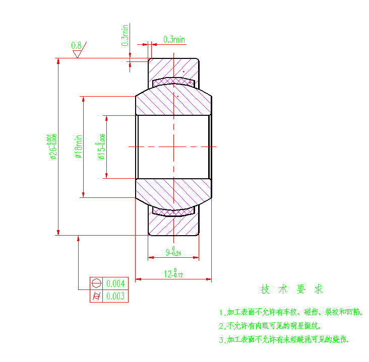
4.設備加工質量及驗收要求
(1)設備加工質量及工藝要求
(2)驗收型號及其要求
設備驗收時,根據實際生產情況,雙方協商選用其它產品型號作為驗收型號,以產品磨削精度來驗證設備加工精度,及對“主要技術參數”中的內容進行驗收
5.工裝清單
1.1專用工具
1.2附件清單
1.3設備驗收關注點
a)設備功能要求;
b)設備精度指標;
c)設備主要配置;
d)節拍要求;
e)技術資料;
1.4設備技術要求未盡方面可按國家及行業標準配置并以滿足甲方工藝技術要求為準必要時及時與甲方溝通。
1.5設備報價或分項報價(此合同為人民幣含稅價,并收到提貨款后提供全額13%的專用增值稅發票。總價格包括設備設計、制造、調試、運輸、培訓及一年(或二年)保修費用。)
三、設備技術要求總則
1.本技術要求為最低限度的技術要求,并未對一切技術細節做出規定,也未充分引述有關標準和規范的條文,供應商應保證提供符合或優于本技術規格書和有關工業標準的優質產品。
2.設備具備良好的人機對話功能,可全自動運行。設備節能環保、安全,操作維修方便,造型美觀,運行穩定、可靠。
3.設備及其配套的零部件須保證是全新的,零部件、電氣元件需選用國際品牌、國內馳名品牌。
4.所用的電氣材料必須是中國強制性產品認證(CCC)的產品。
5.設備服務要求:供方在按上述供貨范圍提供設備的同時,須提供與之相應的伴隨服務。包括:技術資料、安裝調試、現場試運行、技術支持、技術服務、技術培訓等,以及在文中未提及的、隱含的其他必須由供方提供的相關服務。
四、設備電氣安裝技術規范要求:
(一)配電箱要求
1、箱體牢固,密封,防塵,防水。
2、箱門轉動靈活,接地可靠,接地點應標以接地符號。
3、門鎖操作靈活可靠,能開門斷電。
4、過渡接線箱的防護蓋要密封防護。
(二)電氣元器件要求
1、各電器元器件標識與電氣原理圖的標準電氣符號相一致,并粘貼于易見處。
2、元器件固定牢固,安裝位置必須與布局圖相一致。
(三)線路部分要求
1、每條線纜都應有與電氣原理圖相一致的線號標記,線號清晰、齊全且不易褪色和脫落,線號排序遵循順序原則。
2、導線截面積和顏色應符合電氣規范要求。
3、布線方面要求美觀、整潔、線與線之間排列平行不得交叉,線束、線管布置要平直。
4、強電、弱電的線路要分開布置,不得在同一束或者同一槽內敷設。
5、連接器件與線纜連接時護套應固定在線頭上,保證線纜不受力。
6、電箱內的線纜應采用線槽平面布置。
7、機床外圍線纜、線管要保持平直,線管間要平行,線管要編號齊全,管線頭應緊固,管內線路嚴禁有中間接頭。
8、各種線路的進出口處都應采取穿保護套,以防止損傷。
(四)安全方面
1、機床要配置容量合適的斷路器作為設備電源總開關,并要求用戶電源進線直接接到總開關的進線端,并在合適位置配置電源指示燈。電源總開關接線應遵循上進下出原則,確保安全;總進線端接線處應留有足夠的線纜安裝空間。
2、由多臺設備或控制柜組成的生產線,用戶僅提供一路電源總進線。
3、機床要有總接地端子排,所有的保護接地線均接在該端子排上,同時還要有專用的總接零端子排,所有的工作零線均接在該端子排上。
4、每一處有電氣線路、電氣元器件安裝的位置均要實施保護接地以確保所有不帶電的金屬外殼均可靠接地保護。
5、每一個負載均應配置相應保護元件,以防止過載、短路或對地。
6、控制線路應配置相應保護元件。
(五)隨機電氣技術文件
1、電氣原理圖,紙質版和電子版各一份。
2、相關主要電氣控制單元的操作說明書。
3、所有電器元器件的清單,包括型號、規格、生產廠家、數量等信息。
4、相關技術參數表,如包括但不限于變頻器、伺服驅動器。
(圖例)
四、售后服務、培訓和技術資料等
1.中標人在簽訂合同時須提供廠家授權書或者合法有效供貨證明,否則取消其中標資格。
2.乙方負責將設備運輸到甲方,設備到達甲方后,甲方負責裝卸(地點、電源等)及設備就位工作。乙方接到甲方通知后派人到甲方對設備進行調試,調試過程由甲方人員負責,乙方人員全程協助配合.
3.設備調試、驗收期間乙方技術人員必須對甲方人員進行培訓,人員培訓是指設備操作培訓。操作人員、機電修人員進行為期3天的技術指導培訓。
4.保修:設備質保期為1年。在設備保修期內不收取零部件及其它費用(人為損壞因素除外),實行保修服務;并提供設備終身有償售后服務。
5.設備保修期滿之后,應提供廣泛而優惠的技術支持及備件的供應。
6.維修響應:接到用戶通知后,8小時內做出響應,48小時內給出明確解決方案,遵循盡量在最短時間內為用戶解決問題的原則,如需要,在48小時內趕到現場。
7.提供壹套使用說明書。
8.提供出廠合格證明、裝箱單。
9.文件資料:(電子版及紙制版各一套,軟件部分電子版即可)
1)中文版設備操作和維護手冊
2)設備結構圖、工裝及自制易損備件圖等資料。
3)電氣控制原理圖等資料電子版及紙制版一套。(軟件部分電子版即可)
4)備品備件清單(機械與電器)
五、附則
1、乙方應保證甲方在使用設備或其任何一部分時不受第三方提出侵犯專利權、商標權或工業設計權的指控。若發生第三方對乙方設備提出侵權指控,乙方與第三方交涉并承擔發生的一切法律責任和費用。
2、本協議經雙方簽章后隨買賣合同一并生效,是買賣合同的有效組成部分。若本協議內容與買賣合同相抵觸,以買賣合同為準。
3、本協議一式四份,雙方各存二份,與買賣合同具有同等法律效力。
4、甲方應對技術協議、乙方提供給甲方的所有資料和信息嚴格保密,不得泄露給第三方.
5、 本協議未盡事宜由雙方協商解決。





